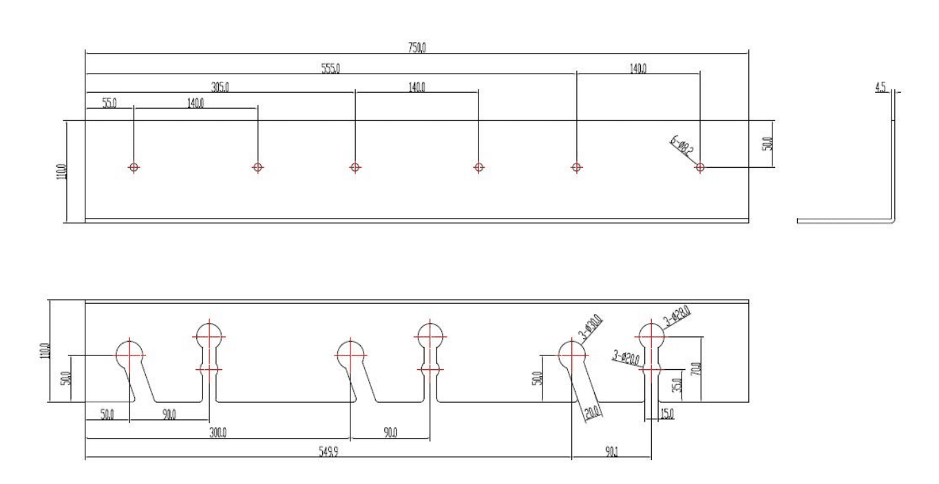
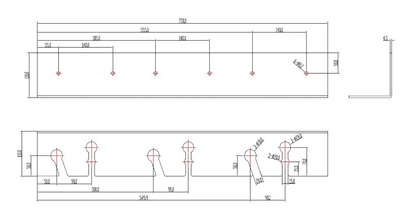
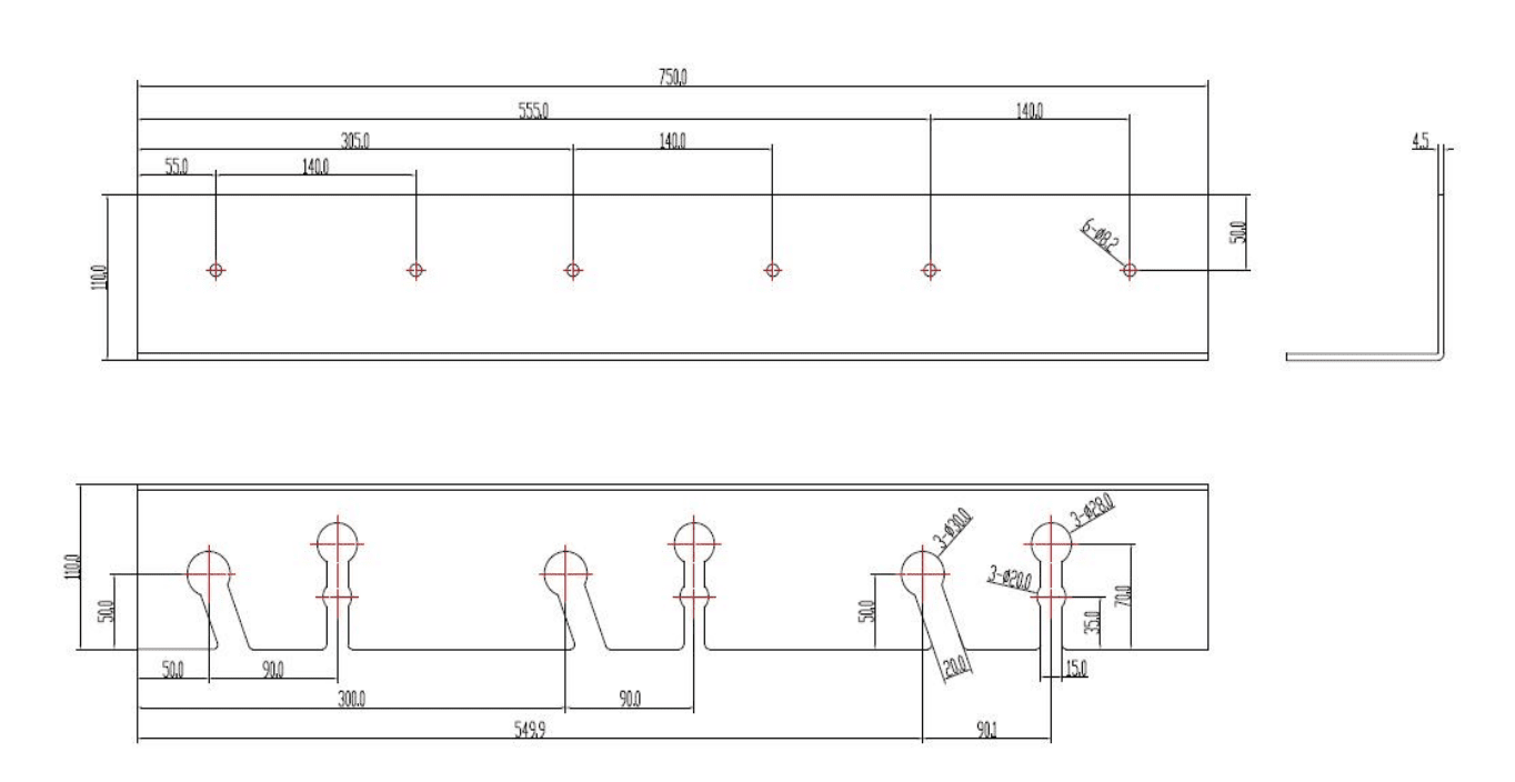
Our endoscope storage hangers are used to store the scopes by saving the extra space. The racks are available in a 3 endoscope per rack configuration. This scope rack should be placed either by mounting on the wall or at the back of a cabinet. Durability is key and with an Endoraxx, you get a steel powder coated quality product. Heavy Duty to support your most expensive asset. Racks are compatible with all name brand endoscopes. For Veterinary OR Human medical facility use.
